轻触开关 / 按入式
| 规格|照片 | 外形图 | 安装孔尺寸图 |包装规格 | | |||||
| TASN6060-06XX / 按入式 / 6.0×6.0 / 顶按 / 平头 / 平四短脚型 | |||||
| 规格 | |||||
| 产品编号 | TASN6060-06XX | ||||
| 操作方向 | Top push | ||||
| 外形尺寸 | w×d= 6.0×6.0mm | ||||
| 按钮高度 | h= 4.3mm / Custom | ||||
| 按钮颜色 | Black / Custom | ||||
| 动作力范围 | 100~300gf / Custom | ||||
| 操作寿命 (5mA 12V DC) | 50,000 cycles / Custom | ||||
| 行程 | 0.25mm | ||||
| 使用温度范围 | -25℃ to +70℃ | ||||
| 初期接触电阻 | 100mΩ max. | ||||
| 绝缘电阻 | 100MΩ min. 100V DC for 1min. | ||||
| 耐电压 | 250V AC for 1 min. | ||||
| 最大额定负载 | 50mA 12V DC | ||||
| 最小额定负载 | 10?A 1V DC | ||||
| 最小订货单位 | 中国 | 1000 | |||
| (pcs) | 出口 | 1000 | |||
| Specifications (PDF) | |||||
| Certificate of Compliance to RoHS regulations | |||||
| 照片 | |||||
|
|||||
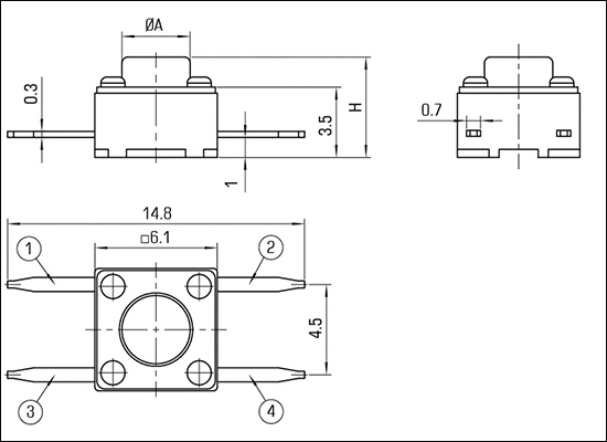
| 外形图 | |||||
|
|||||
| 安装孔尺寸图 | |||||
|
|||||
| 自开关安装面看 | |||||
| 电路图 | |||||
|
|||||
| 包装规格 | |||||
| 散装 | |||||
| 包装数(pcs) | 1箱/中国 | 100,000 | |||
| 1箱/出口 | 100,000 | ||||
| 包装箱尺寸(mm) | 435×310×425 / 455×370×425 | ||||
| 本系列共通的注释 | |||||
| 1.本产品目录中产品的颜色,与实物的颜色有所差异。 | |||||
| 2.请以最小订购单位的N(整数)倍来订货。 | |||||
| 3.本系列产品也可以用于车载。 | |||||
| 4.请在使用时仔细确认正式的技术规格书。 | |||||
| For more information please contact: Sales or Products Information Center. | |||||
| 3314, Duhuixuan Huaqiangbei, Futian District, Shenzhen Guangdong Province, China | |||||
| PHONE: +86 15813801788 | |||||